产品分类导航
您现在的位置:首页-产品中心-贴片式-详细内容
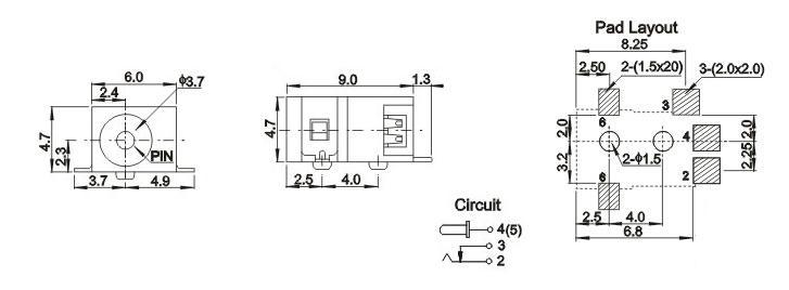
DC-045B
日期:2012/10/12 阅读:4750次
产品简介:
额定负荷Rating:DC 50V 0.5A 接触电阻Contact Resistance:50mΩMax 绝缘阻坑Insulation Resistance:100MΩMin 耐高压Withstand Voltage:AC 250V 1Min 焊接温度 Soldering Temper:260±5℃5s 机械寿命Mechanical:10000次 电气寿命Electrical Life:5000次 适用温度 Ambient Temper Used -25℃ to 85℃ 适用湿度Ambient Humidity Used 85%RH 插拔力 Operating Force 3-30N
产品介绍
相关产品推荐

- DC-053

- DC-098

- DC-096

- DC-094
