产品分类导航
您现在的位置:首页-产品中心-大电流拨动系列-详细内容
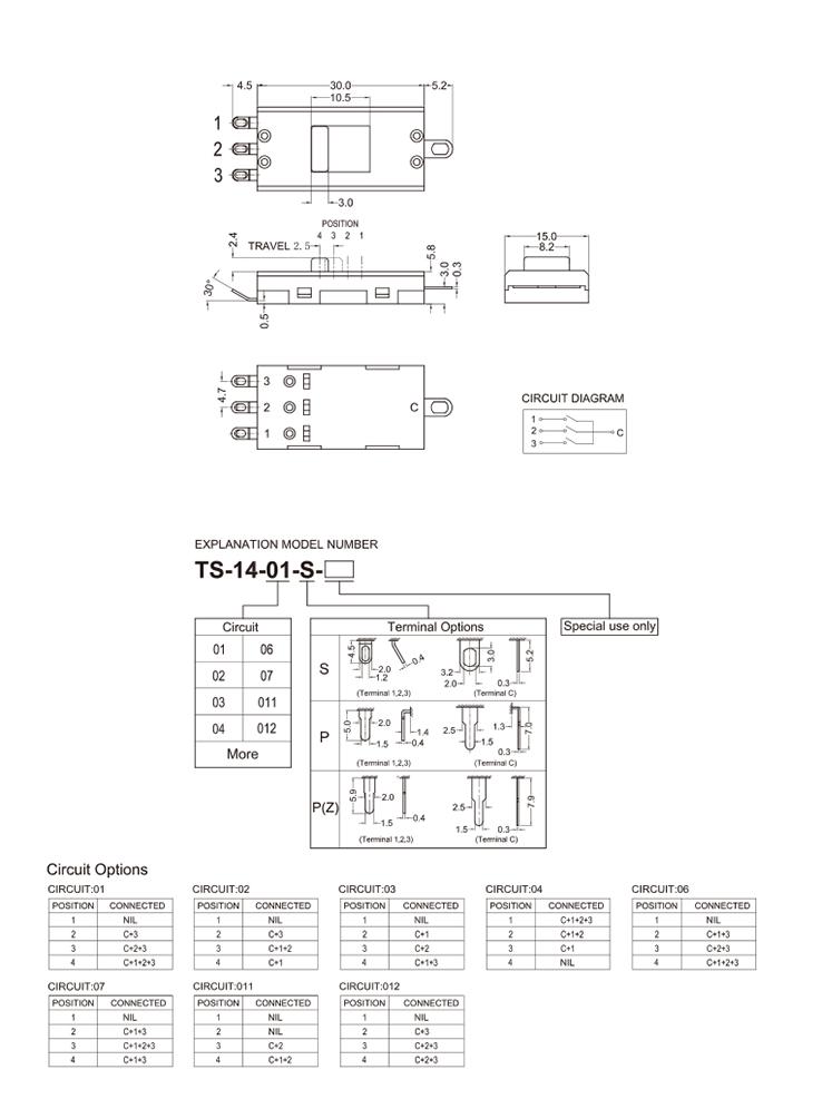
TS-14
日期:2015/1/17 阅读:4203次
产品简介:
工作温度范围Operating temperature range:-30℃ to+85℃ 额定电流Rating:3A 250V AC 绝缘电阻Insulation resistance: 100MΩ min.500V DC 接触电阻Contact resistance: 30m Ω max. 操作力度Operating fore:250±100gf 寿命Life time:10000 cycles(依产品而定)
产品介绍
相关产品推荐

- SS-1305

- SS-25H25-T

- SS-23H25-T

- SS-23H25
