产品分类导航
您现在的位置:首页-产品中心-小微动-详细内容
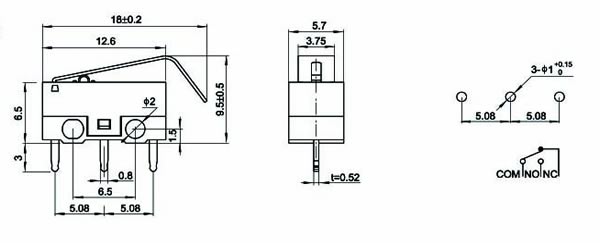
JL003-3.5-12
日期:2022/4/19 阅读:3337次
产品简介:
额定电流、电压:1-3A 125V AC 绝缘电阻:≥20mΩ 接触电阻:≤50mΩ 介电强度(极间)≥500V AC/1min 介电强度(极地)≥1000V AC/1min 电器寿命:≥500000次以上 环境温度:25 T 85 相对湿度: ≤85% at +40℃
产品介绍
相关产品推荐

- JL003-3.5-6

- JL003-3.5-12

- JL003-3.5-15

- JL003-3.5-5
