家庭女教师免费完整版电视剧,张律渝和吕知樾三部曲怎么看,网红鹿迷晕剧情演绎

产品分类导航

您现在的位置:首页产品中心大微动-详细内容
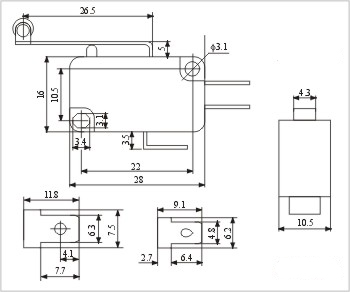
ZW7-2

ZW7-2

日期:2016/8/16    阅读:4030

产品简介:

电气性能参数∶ 1.额定负载∶AC 16A 125/250V 2.接触电阻∶100毫欧以下 3.绝缘电阻∶100兆欧以上 4.耐压∶AC 1000V 5.力度∶250±20gf 6.寿命∶100000次 7.手焊∶350*10度

产品介绍


相关产品推荐
ZW9-1
ZW9-1
ZW7-0
ZW7-0
ZW7-0A
ZW7-0A
ZW7-0B
ZW7-0B

在线免费获取定制方案

全国服务热线:0757-26363652

验证码

版权所有Copyright©广东省历合电子有限公司备案号:粤ICP备12057418号

主站蜘蛛池模板: 宣化县| 革吉县| 永宁县| 紫金县| 台东市| 福清市| 胶州市| 莒南县| 开平市| 广宁县| 康平县| 葵青区| 岳阳市| 苍梧县| 余江县| 普定县| 正安县| 华阴市| 榆中县| 微博| 安塞县| 文昌市| 汕尾市| 沧州市| 梅州市| 南城县| 威信县| 定远县| 宜兰县| 曲阳县| 松原市| 瑞金市| 金门县| 文成县| 稻城县| 南华县| 扬中市| 门头沟区| 随州市| 九龙城区| 绥江县|