家庭女教师免费完整版电视剧,张律渝和吕知樾三部曲怎么看,网红鹿迷晕剧情演绎

产品分类导航

您现在的位置:首页产品中心大微动-详细内容
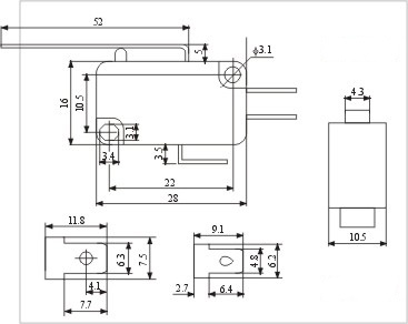
ZW7-9

ZW7-9

日期:2016/8/16    阅读:2739

产品简介:

电气性能参数∶ 1.额定负载∶AC 16A 125/250V 2.接触电阻∶100毫欧以下 3.绝缘电阻∶100兆欧以上 4.耐压∶AC 1000V 5.力度∶250±20gf 6.寿命∶100000次 7.手焊∶350*10度

产品介绍

相关产品推荐
ZW9-1
ZW9-1
ZW7-0
ZW7-0
ZW7-0A
ZW7-0A
ZW7-0B
ZW7-0B

在线免费获取定制方案

全国服务热线:0757-26363652

验证码

版权所有Copyright©广东省历合电子有限公司备案号:粤ICP备12057418号

主站蜘蛛池模板: 阜平县| 伊金霍洛旗| 于都县| 溆浦县| 东乌| 绿春县| 略阳县| 中卫市| 梁河县| 岳西县| 永宁县| 长汀县| 嘉鱼县| 齐河县| 交城县| 华安县| 开原市| 伊宁市| 甘谷县| 东平县| 且末县| 文水县| 永寿县| 凤凰县| 古丈县| 诸城市| 长岛县| 开封市| 桐庐县| 永丰县| 大连市| 绥中县| 紫阳县| 喜德县| 安庆市| 芦山县| 康乐县| 新河县| 奉化市| 淮安市| 瑞金市|