家庭女教师免费完整版电视剧,张律渝和吕知樾三部曲怎么看,网红鹿迷晕剧情演绎

产品分类导航

您现在的位置:首页产品中心大微动-详细内容
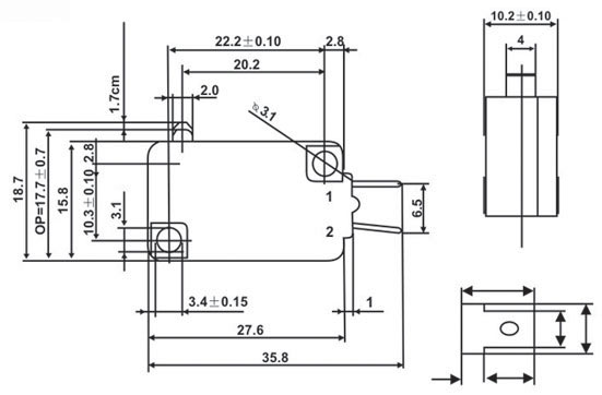
ZW7-10

ZW7-10

日期:2016/8/16    阅读:2833

产品简介:

电气性能参数∶ 1.额定负载∶AC 16A 125/250V 2.接触电阻∶100毫欧以下 3.绝缘电阻∶100兆欧以上 4.耐压∶AC 1000V 5.力度∶250±20gf 6.寿命∶100000次 7.手焊∶350*10度

产品介绍

相关产品推荐
ZW9-1
ZW9-1
ZW7-0
ZW7-0
ZW7-0A
ZW7-0A
ZW7-0B
ZW7-0B

在线免费获取定制方案

全国服务热线:0757-26363652

验证码

版权所有Copyright©广东省历合电子有限公司备案号:粤ICP备12057418号

主站蜘蛛池模板: 万州区| 商都县| 宜春市| 安徽省| 雷州市| 张家界市| 祁阳县| 浑源县| 汤原县| 枣阳市| 永川市| 花垣县| 龙泉市| 通州区| 广元市| 宁化县| 柏乡县| 工布江达县| 涡阳县| 新蔡县| 茂名市| 纳雍县| 永平县| 当雄县| 凤山县| 信丰县| 满洲里市| 吉水县| 天祝| 南城县| 葫芦岛市| 会宁县| 福州市| 陇南市| 黎城县| 石柱| 大荔县| 边坝县| 南漳县| 蕉岭县| 西乌珠穆沁旗|