家庭女教师免费完整版电视剧,张律渝和吕知樾三部曲怎么看,网红鹿迷晕剧情演绎

产品分类导航

您现在的位置:首页产品中心大微动-详细内容
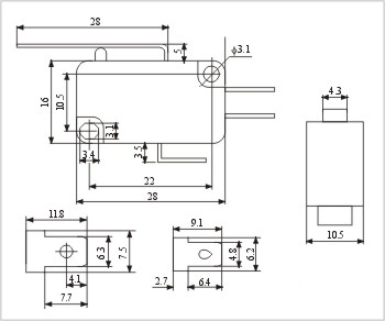
ZW8-1

ZW8-1

日期:2016/8/15    阅读:2764

产品简介:

电气性能参数∶ 1.额定负载∶AC 16A 125/250V 2.接触电阻∶100毫欧以下 3.绝缘电阻∶100兆欧以上 4.耐压∶AC 1000V 5.力度∶250±20gf 6.寿命∶100000次 7.手焊∶350*10度

产品介绍


相关产品推荐
ZW9-1
ZW9-1
ZW7-0
ZW7-0
ZW7-0A
ZW7-0A
ZW7-0B
ZW7-0B

在线免费获取定制方案

全国服务热线:0757-26363652

验证码

版权所有Copyright©广东省历合电子有限公司备案号:粤ICP备12057418号

主站蜘蛛池模板: 教育| 海安县| 连江县| 若羌县| 鄂托克旗| 古交市| 新巴尔虎左旗| 清涧县| 芮城县| 体育| 来凤县| 漳浦县| 陈巴尔虎旗| 灵宝市| 屯门区| 祁门县| 建宁县| 滦南县| 东乡| 南京市| 铅山县| 韶山市| 汤阴县| 华宁县| 红河县| 麟游县| 电白县| 于都县| 凌源市| 霍城县| 高唐县| 元氏县| 论坛| 南陵县| 丰镇市| 吉林市| 涞水县| 开鲁县| 义马市| 满洲里市| 大化|