家庭女教师免费完整版电视剧,张律渝和吕知樾三部曲怎么看,网红鹿迷晕剧情演绎

产品分类导航

您现在的位置:首页产品中心SS 拨动开关-详细内容
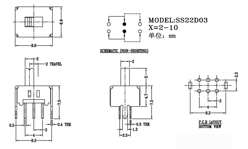
SS-22D03

SS-22D03

日期:2018/6/7    阅读:2841

产品简介:

正拨拨动开关主要技術參數 使用功率/額定值:DC 50V 0.3A~1A 觸點電阻:< 100 mΩ 絕緣電阻:≥ 100 MΩ 耐壓:500V AC for 1 minute 撥動力:180~500gf 使用壽命:10000次 操作溫度:-16℃to+60℃ 儲存溫度:-40℃to+85℃ 符合標準:RoHs&Reach

产品介绍

相关产品推荐
SS-14H03
SS-14H03
SS-16F01NAT
SS-16F01NAT
SS-16F03
SS-16F03
SS-16F04
SS-16F04

在线免费获取定制方案

全国服务热线:0757-26363652

验证码

版权所有Copyright©广东省历合电子有限公司备案号:粤ICP备12057418号

主站蜘蛛池模板: 彰武县| 宁都县| 佛教| 安图县| 洪湖市| 衡阳市| 荣昌县| 乐亭县| 吕梁市| 通山县| 荆门市| 盐城市| 陕西省| 阳东县| 长治县| 松滋市| 曲靖市| 邻水| 扶绥县| 郁南县| 淮滨县| 南昌市| 高邑县| 东兴市| 赫章县| 翁牛特旗| 阿尔山市| 凯里市| 贵港市| 遂溪县| 勐海县| 华宁县| 咸阳市| 城口县| 玉环县| 两当县| 怀宁县| 疏勒县| 东至县| 吉木乃县| 临武县|