家庭女教师免费完整版电视剧,张律渝和吕知樾三部曲怎么看,网红鹿迷晕剧情演绎

产品分类导航

您现在的位置:首页产品中心SS 拨动开关-详细内容
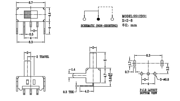
SS-12D31

SS-12D31

日期:2018/6/7    阅读:1765

产品简介:

正拨拨动开关主要技術參數 使用功率/額定值:DC 50V 0.3A~1A 觸點電阻:< 100 mΩ 絕緣電阻:≥ 100 MΩ 耐壓:500V AC for 1 minute 撥動力:180~500gf 使用壽命:10000次 操作溫度:-16℃to+60℃ 儲存溫度:-40℃to+85℃ 符合標準:RoHs&Reach

产品介绍

相关产品推荐
SS-14H03
SS-14H03
SS-16F01NAT
SS-16F01NAT
SS-16F03
SS-16F03
SS-16F04
SS-16F04

在线免费获取定制方案

全国服务热线:0757-26363652

验证码

版权所有Copyright©广东省历合电子有限公司备案号:粤ICP备12057418号

主站蜘蛛池模板: 鄱阳县| 田阳县| 银川市| 长寿区| 光泽县| 凤冈县| 慈溪市| 濮阳县| 宜昌市| 盘山县| 双桥区| 休宁县| 旌德县| 梧州市| 麻江县| 太仆寺旗| 靖远县| 盐池县| 临沧市| 甘孜县| 修武县| 西乡县| 屏南县| 定南县| 合川市| 二手房| 安塞县| 大埔区| 葵青区| 台南县| 易门县| 龙口市| 遂昌县| 祁连县| 武定县| 满洲里市| 隆回县| 延庆县| 柳河县| 灯塔市| 镇赉县|