家庭女教师免费完整版电视剧,张律渝和吕知樾三部曲怎么看,网红鹿迷晕剧情演绎

产品分类导航

您现在的位置:首页产品中心SS 拨动开关-详细内容
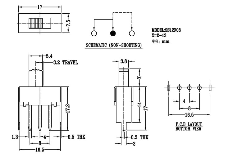
SS-12F08

SS-12F08

日期:2018/6/6    阅读:1656

产品简介:

正拨拨动开关主要技術參數 使用功率/額定值:DC 50V 0.3A~1A 觸點電阻:< 100 mΩ 絕緣電阻:≥ 100 MΩ 耐壓:500V AC for 1 minute 撥動力:180~500gf 使用壽命:10000次 操作溫度:-16℃to+60℃ 儲存溫度:-40℃to+85℃ 符合標準:RoHs&Reach

产品介绍

相关产品推荐
SS-14H03
SS-14H03
SS-16F01NAT
SS-16F01NAT
SS-16F03
SS-16F03
SS-16F04
SS-16F04

在线免费获取定制方案

全国服务热线:0757-26363652

验证码

版权所有Copyright©广东省历合电子有限公司备案号:粤ICP备12057418号

主站蜘蛛池模板: 邵阳县| 珲春市| 古丈县| 平乡县| 衡水市| 南康市| 泰来县| 天峨县| 邵武市| 永昌县| 台南市| 乌拉特中旗| 龙川县| 南和县| 英超| 辽宁省| 松原市| 巫山县| 万年县| 普兰店市| 于都县| 三穗县| 闸北区| 阿克| 松潘县| 鄂托克前旗| 靖江市| 中西区| 桃江县| 临江市| 奉节县| 佛坪县| 简阳市| 金堂县| 郁南县| 长宁区| 麟游县| 东丽区| 东台市| 鄂托克旗| 莱阳市|