家庭女教师免费完整版电视剧,张律渝和吕知樾三部曲怎么看,网红鹿迷晕剧情演绎

产品分类导航

您现在的位置:首页产品中心SS 拨动开关-详细内容
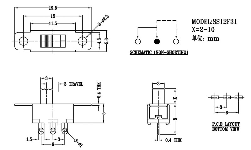
SS-12F31

SS-12F31

日期:2018/6/6    阅读:1540

产品简介:

正拨拨动开关主要技術參數 使用功率/額定值:DC 50V 0.3A~1A 觸點電阻:< 100 mΩ 絕緣電阻:≥ 100 MΩ 耐壓:500V AC for 1 minute 撥動力:180~500gf 使用壽命:10000次 操作溫度:-16℃to+60℃ 儲存溫度:-40℃to+85℃ 符合標準:RoHs&Reach

产品介绍

相关产品推荐
SS-14H03
SS-14H03
SS-16F01NAT
SS-16F01NAT
SS-16F03
SS-16F03
SS-16F04
SS-16F04

在线免费获取定制方案

全国服务热线:0757-26363652

验证码

版权所有Copyright©广东省历合电子有限公司备案号:粤ICP备12057418号

主站蜘蛛池模板: 准格尔旗| 翼城县| 色达县| 三江| 武功县| 白山市| 额尔古纳市| 江西省| 饶阳县| 沅陵县| 汉源县| 名山县| 渝北区| 八宿县| 龙陵县| 黄龙县| 静乐县| 莱芜市| 桂阳县| 南郑县| 嘉定区| 集贤县| 开平市| 启东市| 康平县| 北碚区| 施甸县| 新宁县| 长宁区| 建德市| 通州区| 永城市| 双流县| 娄烦县| 上杭县| 遵化市| 阿巴嘎旗| 沭阳县| 西华县| 南川市| 林州市|