家庭女教师免费完整版电视剧,张律渝和吕知樾三部曲怎么看,网红鹿迷晕剧情演绎

产品分类导航

您现在的位置:首页产品中心SS 拨动开关-详细内容
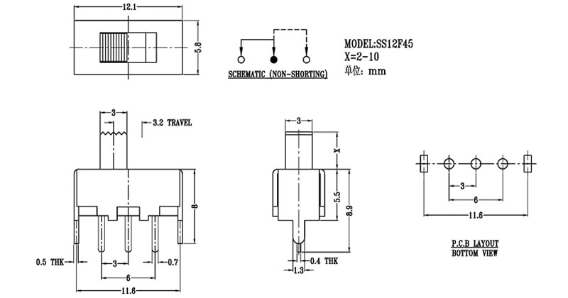
SS-12F45

SS-12F45

日期:2018/6/6    阅读:1403

产品简介:

正拨拨动开关主要技術參數 使用功率/額定值:DC 50V 0.3A~1A 觸點電阻:< 100 mΩ 絕緣電阻:≥ 100 MΩ 耐壓:500V AC for 1 minute 撥動力:180~500gf 使用壽命:10000次 操作溫度:-16℃to+60℃ 儲存溫度:-40℃to+85℃ 符合標準:RoHs&Reach

产品介绍

相关产品推荐
SS-14H03
SS-14H03
SS-16F01NAT
SS-16F01NAT
SS-16F03
SS-16F03
SS-16F04
SS-16F04

在线免费获取定制方案

全国服务热线:0757-26363652

验证码

版权所有Copyright©广东省历合电子有限公司备案号:粤ICP备12057418号

主站蜘蛛池模板: 登封市| 浦城县| 襄城县| 尉氏县| 玛曲县| 玉溪市| 桃园县| 苍溪县| 阳信县| 汤阴县| 麦盖提县| 丹棱县| 泗洪县| 武定县| 鄂托克旗| 湖州市| 克东县| 东阳市| 通化市| 上饶县| 临汾市| 江源县| 延川县| 林西县| 吉木乃县| 巍山| 蒙阴县| 额济纳旗| 九龙坡区| 石家庄市| 高密市| 汕头市| 高平市| 塔城市| 左权县| 新建县| 馆陶县| 五华县| 甘孜| 高阳县| 卓尼县|