家庭女教师免费完整版电视剧,张律渝和吕知樾三部曲怎么看,网红鹿迷晕剧情演绎

产品分类导航

您现在的位置:首页产品中心SS 拨动开关-详细内容
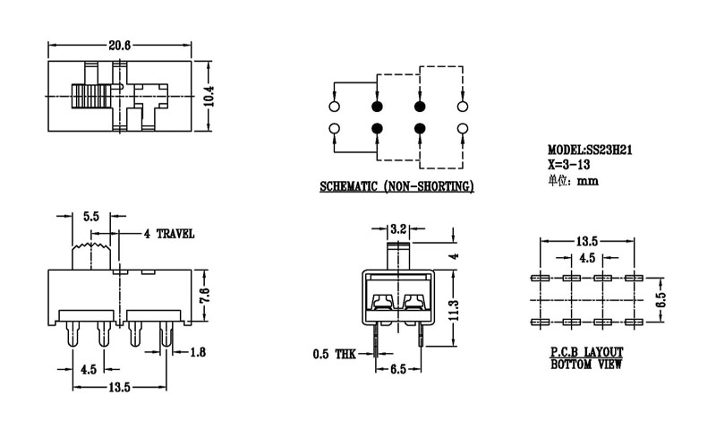
SS-23H22

SS-23H22

日期:2018/6/6    阅读:1271

产品简介:

正拨拨动开关主要技術參數 使用功率/額定值:DC 50V 0.3A~1A 觸點電阻:< 100 mΩ 絕緣電阻:≥ 100 MΩ 耐壓:500V AC for 1 minute 撥動力:180~500gf 使用壽命:10000次 操作溫度:-16℃to+60℃ 儲存溫度:-40℃to+85℃ 符合標準:RoHs&Reach

产品介绍

相关产品推荐
SS-14H03
SS-14H03
SS-16F01NAT
SS-16F01NAT
SS-16F03
SS-16F03
SS-16F04
SS-16F04

在线免费获取定制方案

全国服务热线:0757-26363652

验证码

版权所有Copyright©广东省历合电子有限公司备案号:粤ICP备12057418号

主站蜘蛛池模板: 印江| 嵩明县| 永平县| 安陆市| 丁青县| 虞城县| 福州市| 吉木萨尔县| 萍乡市| 神木县| 无极县| 松溪县| 汨罗市| 阿荣旗| 霸州市| 蒙城县| 博乐市| 博野县| 寿宁县| 遂川县| 淅川县| 巧家县| 大埔区| 海淀区| 岑巩县| 山丹县| 梅河口市| 巴楚县| 永靖县| 宜君县| 大埔县| 宁都县| 石台县| 若尔盖县| 垫江县| 明星| 上饶县| 运城市| 瑞金市| 厦门市| 昌乐县|