家庭女教师免费完整版电视剧,张律渝和吕知樾三部曲怎么看,网红鹿迷晕剧情演绎

产品分类导航

您现在的位置:首页产品中心SS 拨动开关-详细内容
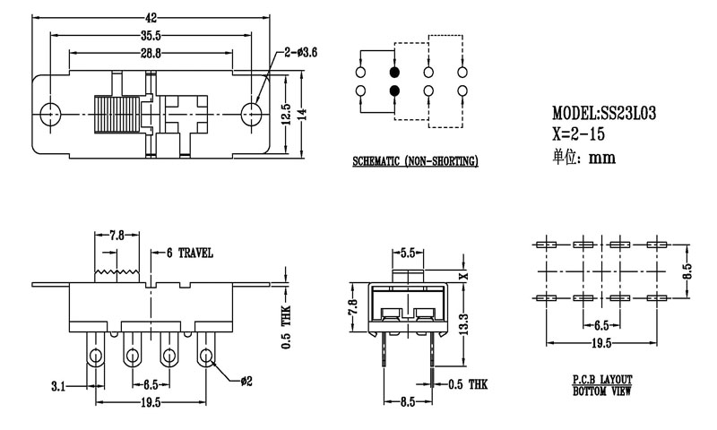
SS-23L03

SS-23L03

日期:2018/6/4    阅读:1316

产品简介:

正拨拨动开关主要技術參數 使用功率/額定值:DC 50V 0.3A~1A 觸點電阻:< 100 mΩ 絕緣電阻:≥ 100 MΩ 耐壓:500V AC for 1 minute 撥動力:180~500gf 使用壽命:10000次 操作溫度:-16℃to+60℃ 儲存溫度:-40℃to+85℃ 符合標準:RoHs&Reach

产品介绍

相关产品推荐
SS-14H03
SS-14H03
SS-16F01NAT
SS-16F01NAT
SS-16F03
SS-16F03
SS-16F04
SS-16F04

在线免费获取定制方案

全国服务热线:0757-26363652

验证码

版权所有Copyright©广东省历合电子有限公司备案号:粤ICP备12057418号

主站蜘蛛池模板: 香港| 忻城县| 遵化市| 博乐市| 梓潼县| 施甸县| 通海县| 巩义市| 栾川县| 乐清市| 晋宁县| 余姚市| 子洲县| 五峰| 当涂县| 拜城县| 手机| 晋州市| 邳州市| 建德市| 普兰店市| 乐清市| 七台河市| 台中市| 滦南县| 龙里县| 衡山县| 庄浪县| 钦州市| 和林格尔县| 华池县| 界首市| 赤壁市| 宣汉县| 博湖县| 新竹市| 堆龙德庆县| 清水河县| 布尔津县| 新竹县| 洛阳市|