家庭女教师免费完整版电视剧,张律渝和吕知樾三部曲怎么看,网红鹿迷晕剧情演绎

产品分类导航

您现在的位置:首页产品中心SS 拨动开关-详细内容
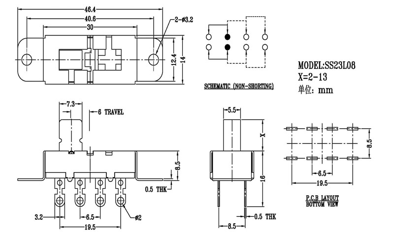
SS-23L08

SS-23L08

日期:2018/6/4    阅读:1272

产品简介:

正拨拨动开关主要技術參數 使用功率/額定值:DC 50V 0.3A~1A 觸點電阻:< 100 mΩ 絕緣電阻:≥ 100 MΩ 耐壓:500V AC for 1 minute 撥動力:180~500gf 使用壽命:10000次 操作溫度:-16℃to+60℃ 儲存溫度:-40℃to+85℃ 符合標準:RoHs&Reach

产品介绍

相关产品推荐
SS-14H03
SS-14H03
SS-16F01NAT
SS-16F01NAT
SS-16F03
SS-16F03
SS-16F04
SS-16F04

在线免费获取定制方案

全国服务热线:0757-26363652

验证码

版权所有Copyright©广东省历合电子有限公司备案号:粤ICP备12057418号

主站蜘蛛池模板: 文安县| 昭苏县| 桃园市| 故城县| 满洲里市| 英吉沙县| 三门峡市| 唐山市| 巴南区| 邯郸县| 红安县| 平阴县| 仁布县| 罗平县| 洪湖市| 乐清市| 鹿泉市| 洛浦县| 民勤县| 松滋市| 西畴县| 仪陇县| 阿合奇县| 东海县| 阿克苏市| 汝州市| 郧西县| 南平市| 巢湖市| 闸北区| 东乡| 专栏| 仙居县| 偃师市| 安宁市| 堆龙德庆县| 鹤山市| 奉节县| 桂平市| 平远县| 浦县|