家庭女教师免费完整版电视剧,张律渝和吕知樾三部曲怎么看,网红鹿迷晕剧情演绎

产品分类导航

您现在的位置:首页产品中心SS 拨动开关-详细内容
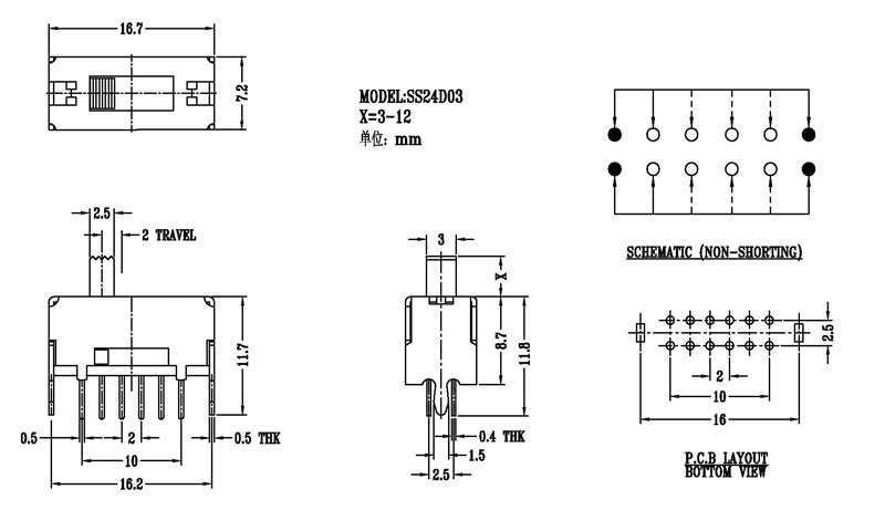
SS-24D03

SS-24D03

日期:2018/6/4    阅读:1254

产品简介:

正拨拨动开关主要技術參數 使用功率/額定值:DC 50V 0.3A~1A 觸點電阻:< 100 mΩ 絕緣電阻:≥ 100 MΩ 耐壓:500V AC for 1 minute 撥動力:180~500gf 使用壽命:10000次 操作溫度:-16℃to+60℃ 儲存溫度:-40℃to+85℃ 符合標準:RoHs&Reach

产品介绍

相关产品推荐
SS-14H03
SS-14H03
SS-16F01NAT
SS-16F01NAT
SS-16F03
SS-16F03
SS-16F04
SS-16F04

在线免费获取定制方案

全国服务热线:0757-26363652

验证码

版权所有Copyright©广东省历合电子有限公司备案号:粤ICP备12057418号

主站蜘蛛池模板: 大庆市| 黄龙县| 肥东县| 乐平市| 文成县| 岐山县| 樟树市| 红安县| 龙口市| 云龙县| 西平县| 确山县| 收藏| 通江县| 灌云县| 浙江省| 临猗县| 宁阳县| 久治县| 郴州市| 开阳县| 托克逊县| 桃园县| 怀远县| 桦南县| 崇州市| 茌平县| 怀来县| 同仁县| 南部县| 安新县| 江津市| 手游| 聊城市| 雅安市| 临桂县| 湾仔区| 北票市| 滨州市| 永新县| 呼伦贝尔市|