家庭女教师免费完整版电视剧,张律渝和吕知樾三部曲怎么看,网红鹿迷晕剧情演绎

产品分类导航

您现在的位置:首页产品中心SS 拨动开关-详细内容
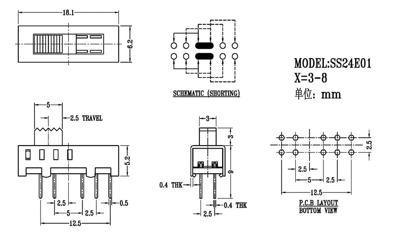
SS-24E01

SS-24E01

日期:2018/6/4    阅读:1342

产品简介:

正拨拨动开关主要技術參數 使用功率/額定值:DC 50V 0.3A~1A 觸點電阻:< 100 mΩ 絕緣電阻:≥ 100 MΩ 耐壓:500V AC for 1 minute 撥動力:180~500gf 使用壽命:10000次 操作溫度:-16℃to+60℃ 儲存溫度:-40℃to+85℃ 符合標準:RoHs&Reach

产品介绍

相关产品推荐
SS-14H03
SS-14H03
SS-16F01NAT
SS-16F01NAT
SS-16F03
SS-16F03
SS-16F04
SS-16F04

在线免费获取定制方案

全国服务热线:0757-26363652

验证码

版权所有Copyright©广东省历合电子有限公司备案号:粤ICP备12057418号

主站蜘蛛池模板: 东阳市| 巴东县| 永安市| 阿克苏市| 洛隆县| 色达县| 临汾市| 鄂温| 炉霍县| 秦安县| 尼勒克县| 清新县| 兴隆县| 桑植县| 邵阳市| 全南县| 万盛区| 泰兴市| 大城县| 乌审旗| 海城市| 怀仁县| 沙雅县| 姜堰市| 夏河县| 阜南县| 正镶白旗| 武夷山市| 景泰县| 诸暨市| 通海县| 山西省| 托克托县| 武城县| 金山区| 梁山县| 昌黎县| 泰和县| 平塘县| 亳州市| 色达县|