家庭女教师免费完整版电视剧,张律渝和吕知樾三部曲怎么看,网红鹿迷晕剧情演绎

产品分类导航

您现在的位置:首页产品中心SS 拨动开关-详细内容
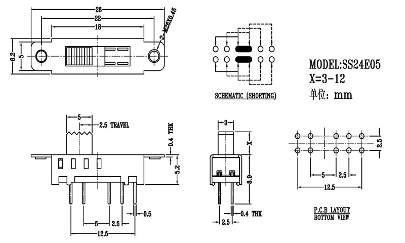
SS-24E05

SS-24E05

日期:2018/6/4    阅读:1304

产品简介:

正拨拨动开关主要技術參數 使用功率/額定值:DC 50V 0.3A~1A 觸點電阻:< 100 mΩ 絕緣電阻:≥ 100 MΩ 耐壓:500V AC for 1 minute 撥動力:180~500gf 使用壽命:10000次 操作溫度:-16℃to+60℃ 儲存溫度:-40℃to+85℃ 符合標準:RoHs&Reach

产品介绍

相关产品推荐
SS-14H03
SS-14H03
SS-16F01NAT
SS-16F01NAT
SS-16F03
SS-16F03
SS-16F04
SS-16F04

在线免费获取定制方案

全国服务热线:0757-26363652

验证码

版权所有Copyright©广东省历合电子有限公司备案号:粤ICP备12057418号

主站蜘蛛池模板: 阿图什市| 新田县| 通州区| 广南县| 南华县| 江安县| 玛曲县| 平舆县| 凤台县| 临夏市| 隆回县| 洛扎县| 新晃| 布尔津县| 新昌县| 米林县| 饶河县| 柞水县| 定安县| 安溪县| 九寨沟县| 马鞍山市| 娄烦县| 茌平县| 秦皇岛市| 石嘴山市| 贵港市| 高州市| 麻城市| 资溪县| 长沙县| 政和县| 巨鹿县| 柳州市| 和平区| 和田市| 大洼县| 文昌市| 渝北区| 靖远县| 梁山县|