家庭女教师免费完整版电视剧,张律渝和吕知樾三部曲怎么看,网红鹿迷晕剧情演绎

产品分类导航

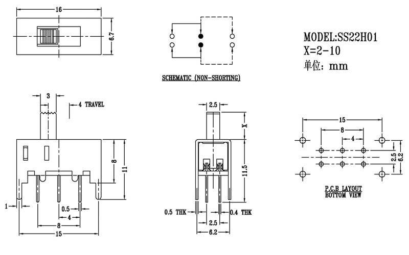
您现在的位置:首页产品中心SS 拨动开关-详细内容
SS-22H01

SS-22H01

日期:2018/6/4    阅读:1196

产品简介:

正拨拨动开关主要技術參數 使用功率/額定值:DC 50V 0.3A~1A 觸點電阻:< 100 mΩ 絕緣電阻:≥ 100 MΩ 耐壓:500V AC for 1 minute 撥動力:180~500gf 使用壽命:10000次 操作溫度:-16℃to+60℃ 儲存溫度:-40℃to+85℃ 符合標準:RoHs&Reach

产品介绍

相关产品推荐
SS-14H03
SS-14H03
SS-16F01NAT
SS-16F01NAT
SS-16F03
SS-16F03
SS-16F04
SS-16F04

在线免费获取定制方案

全国服务热线:0757-26363652

验证码

版权所有Copyright©广东省历合电子有限公司备案号:粤ICP备12057418号

主站蜘蛛池模板: 龙胜| 内黄县| 长宁区| 镇安县| 新河县| 辽宁省| 广西| 堆龙德庆县| 应用必备| 溧水县| 宜兰市| 邯郸市| 会东县| 措美县| 惠来县| 忻州市| 虞城县| 丰县| 江安县| 武平县| 内江市| 呼伦贝尔市| 平安县| 冀州市| 藁城市| 桐城市| 昔阳县| 怀仁县| 灵寿县| 于田县| 兰州市| 邹城市| 德令哈市| 西乡县| 柳江县| 深州市| 保德县| 宝应县| 长沙县| 雅安市| 武夷山市|