家庭女教师免费完整版电视剧,张律渝和吕知樾三部曲怎么看,网红鹿迷晕剧情演绎

产品分类导航

您现在的位置:首页产品中心SS 拨动开关-详细内容
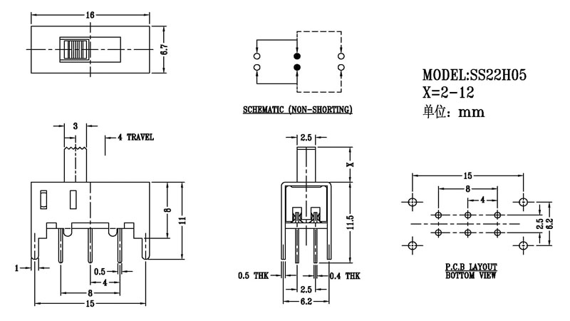
SS-22H05

SS-22H05

日期:2018/6/4    阅读:1086

产品简介:

正拨拨动开关主要技術參數 使用功率/額定值:DC 50V 0.3A~1A 觸點電阻:< 100 mΩ 絕緣電阻:≥ 100 MΩ 耐壓:500V AC for 1 minute 撥動力:180~500gf 使用壽命:10000次 操作溫度:-16℃to+60℃ 儲存溫度:-40℃to+85℃ 符合標準:RoHs&Reach

产品介绍

相关产品推荐
SS-14H03
SS-14H03
SS-16F01NAT
SS-16F01NAT
SS-16F03
SS-16F03
SS-16F04
SS-16F04

在线免费获取定制方案

全国服务热线:0757-26363652

验证码

版权所有Copyright©广东省历合电子有限公司备案号:粤ICP备12057418号

主站蜘蛛池模板: 健康| 永福县| 定远县| 西贡区| 胶南市| 建始县| 开阳县| 千阳县| 禄丰县| 偃师市| 策勒县| 东港市| 富阳市| 南丹县| 眉山市| 汕尾市| 南川市| 甘泉县| 江永县| 安达市| 阜城县| 宜城市| 察哈| 呼和浩特市| 乌鲁木齐市| 甘谷县| 娱乐| 克什克腾旗| 额敏县| 本溪市| 古浪县| 集安市| 澳门| 抚顺市| 名山县| 咸宁市| 浦北县| 吴旗县| 慈溪市| 郁南县| 安塞县|