²úÆ··ÖÀർº½
ÄúÏÖÔÚµÄλÖãºÊ×Ò³£²úÆ·ÖÐÐÄ£SS ²¦¶¯¿ª¹Ø-ÏêϸÄÚÈÝ
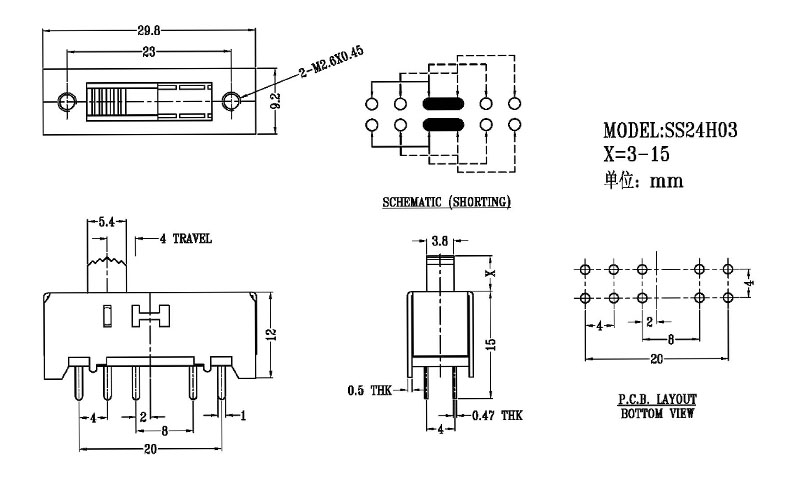
SS-24H03
ÈÕÆÚ£º2018/6/4 ÔĶÁ£º1238´Î
²úÆ·¼ò½é£º
Õý²¦²¦¶¯¿ª¹ØÖ÷Òª¼¼Ðg…¢”µ ʹÓù¦ÂÊ/î~¶¨Öµ:DC 50V 0.3A~1A Ó|ücëŠ×è:< 100 m¦¸ ½^¾‰ëŠ×è:¡Ý 100 M¦¸ Ä͉º:500V AC for 1 minute “Ü„ÓÁ¦:180~500gf ʹÓÉÛÃü:10000´Î ²Ù×÷œØ¶È:-16¡æto+60¡æ ƒ¦´æœØ¶È:-40¡æto+85¡æ ·ûºÏ˜ËœÊ:RoHs&Reach
²úÆ·½éÉÜ

Ïà¹Ø²úÆ·ÍÆ¼ö

- SS-14H03

- SS-16F01NAT

- SS-16F03

- SS-16F04
