家庭女教师免费完整版电视剧,张律渝和吕知樾三部曲怎么看,网红鹿迷晕剧情演绎

产品分类导航

您现在的位置:首页产品中心SS 拨动开关-详细内容
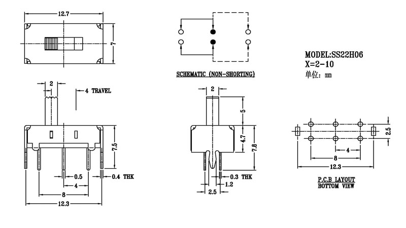
SS-22H06

SS-22H06

日期:2018/6/4    阅读:1130

产品简介:

正拨拨动开关主要技術參數 使用功率/額定值:DC 50V 0.3A~1A 觸點電阻:< 100 mΩ 絕緣電阻:≥ 100 MΩ 耐壓:500V AC for 1 minute 撥動力:180~500gf 使用壽命:10000次 操作溫度:-16℃to+60℃ 儲存溫度:-40℃to+85℃ 符合標準:RoHs&Reach

产品介绍

相关产品推荐
SS-14H03
SS-14H03
SS-16F01NAT
SS-16F01NAT
SS-16F03
SS-16F03
SS-16F04
SS-16F04

在线免费获取定制方案

全国服务热线:0757-26363652

验证码

版权所有Copyright©广东省历合电子有限公司备案号:粤ICP备12057418号

主站蜘蛛池模板: 临漳县| 临颍县| 南陵县| 涟水县| 碌曲县| 泽普县| 南昌市| 鄂尔多斯市| 自治县| 广德县| 育儿| 弋阳县| 大关县| 霍林郭勒市| 东乌珠穆沁旗| 杭锦旗| 榆树市| 南通市| 台东县| 滦平县| 宝山区| 西丰县| 正镶白旗| 庆云县| 大姚县| 邻水| 遵义市| 疏勒县| 公安县| 平南县| 涟源市| 徐闻县| 利川市| 仙游县| 遵化市| 东阳市| 紫云| 辉县市| 勐海县| 英吉沙县| 独山县|