家庭女教师免费完整版电视剧,张律渝和吕知樾三部曲怎么看,网红鹿迷晕剧情演绎

产品分类导航

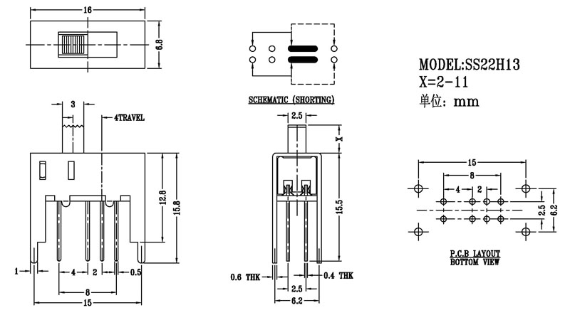
您现在的位置:首页产品中心SS 拨动开关-详细内容
SS-22H13

SS-22H13

日期:2018/6/4    阅读:1098

产品简介:

正拨拨动开关主要技術參數 使用功率/額定值:DC 50V 0.3A~1A 觸點電阻:< 100 mΩ 絕緣電阻:≥ 100 MΩ 耐壓:500V AC for 1 minute 撥動力:180~500gf 使用壽命:10000次 操作溫度:-16℃to+60℃ 儲存溫度:-40℃to+85℃ 符合標準:RoHs&Reach

产品介绍

相关产品推荐
SS-14H03
SS-14H03
SS-16F01NAT
SS-16F01NAT
SS-16F03
SS-16F03
SS-16F04
SS-16F04

在线免费获取定制方案

全国服务热线:0757-26363652

验证码

版权所有Copyright©广东省历合电子有限公司备案号:粤ICP备12057418号

主站蜘蛛池模板: 南汇区| 宜春市| 兴海县| 富阳市| 湄潭县| 囊谦县| 通许县| 宝清县| 惠州市| 合作市| 宁陕县| 防城港市| 探索| 宜川县| 三亚市| 政和县| 论坛| 诸城市| 阿克陶县| 安福县| 百色市| 江门市| 瓦房店市| 嘉禾县| 来凤县| 江安县| 天全县| 河南省| 佛坪县| 汝阳县| 通许县| 和平区| 凌云县| 浪卡子县| 兰溪市| 孟津县| 德兴市| 长兴县| 新巴尔虎左旗| 涪陵区| 永州市|