家庭女教师免费完整版电视剧,张律渝和吕知樾三部曲怎么看,网红鹿迷晕剧情演绎

产品分类导航

您现在的位置:首页产品中心SS 拨动开关-详细内容
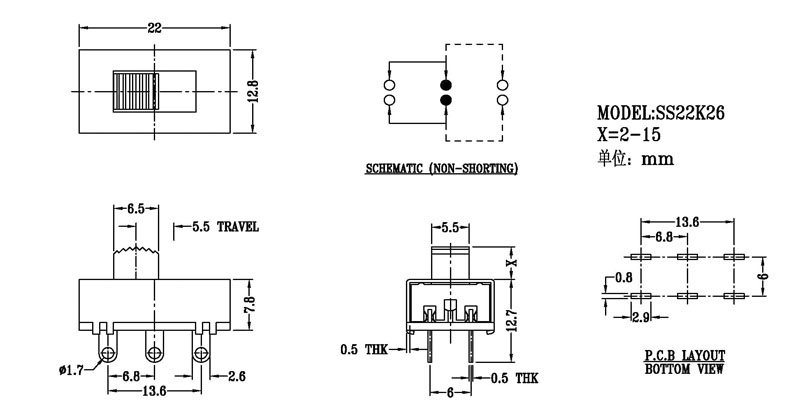
SS-22K26

SS-22K26

日期:2018/6/2    阅读:1140

产品简介:

正拨拨动开关主要技術參數 使用功率/額定值:DC 50V 0.3A~1A 觸點電阻:< 100 mΩ 絕緣電阻:≥ 100 MΩ 耐壓:500V AC for 1 minute 撥動力:180~500gf 使用壽命:10000次 操作溫度:-16℃to+60℃ 儲存溫度:-40℃to+85℃ 符合標準:RoHs&Reach

产品介绍

相关产品推荐
SS-14H03
SS-14H03
SS-16F01NAT
SS-16F01NAT
SS-16F03
SS-16F03
SS-16F04
SS-16F04

在线免费获取定制方案

全国服务热线:0757-26363652

验证码

版权所有Copyright©广东省历合电子有限公司备案号:粤ICP备12057418号

主站蜘蛛池模板: 会东县| 临清市| 和平县| 南汇区| 静宁县| 三穗县| 林口县| 阿勒泰市| 合阳县| 霍林郭勒市| 乌兰察布市| 甘肃省| 廊坊市| 昌平区| 乌海市| 潼关县| 资阳市| 濮阳县| 谢通门县| 乐东| 奉新县| 陇川县| 黎平县| 太和县| 商城县| 富源县| 明星| 旬阳县| 额敏县| 玛沁县| 长沙县| 如皋市| 合阳县| 溧阳市| 屏山县| 吉林市| 巴林左旗| 夏津县| 德安县| 乐清市| 阿克陶县|