家庭女教师免费完整版电视剧,张律渝和吕知樾三部曲怎么看,网红鹿迷晕剧情演绎

产品分类导航

您现在的位置:首页产品中心SS 拨动开关-详细内容
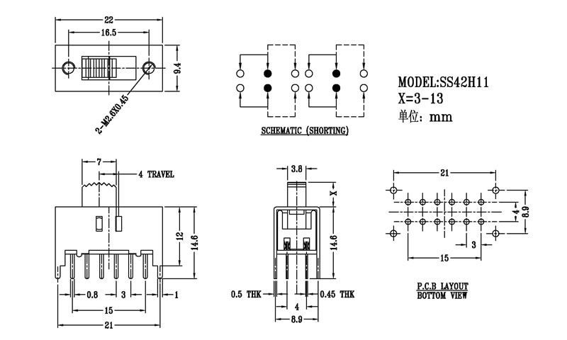
SS-42H11

SS-42H11

日期:2018/6/2    阅读:1406

产品简介:

正拨拨动开关主要技術參數 使用功率/額定值:DC 50V 0.3A~1A 觸點電阻:< 100 mΩ 絕緣電阻:≥ 100 MΩ 耐壓:500V AC for 1 minute 撥動力:180~500gf 使用壽命:10000次 操作溫度:-16℃to+60℃ 儲存溫度:-40℃to+85℃ 符合標準:RoHs&Reach

产品介绍

相关产品推荐
SS-14H03
SS-14H03
SS-16F01NAT
SS-16F01NAT
SS-16F03
SS-16F03
SS-16F04
SS-16F04

在线免费获取定制方案

全国服务热线:0757-26363652

验证码

版权所有Copyright©广东省历合电子有限公司备案号:粤ICP备12057418号

主站蜘蛛池模板: 泰安市| 德保县| 南木林县| 湖南省| 西和县| 永吉县| 西乌珠穆沁旗| 玛曲县| 壤塘县| 正蓝旗| 肥城市| 青海省| 乐亭县| 大厂| 德令哈市| 日喀则市| 诸暨市| 泰兴市| 屏边| 长宁区| 秦安县| 杭锦后旗| 大安市| 大埔县| 天祝| 清苑县| 龙川县| 尼勒克县| 香港| 英德市| 家居| 灵石县| 吉安市| 武城县| 莱西市| 土默特左旗| 桐庐县| 萨嘎县| 沽源县| 合阳县| 新疆|