家庭女教师免费完整版电视剧,张律渝和吕知樾三部曲怎么看,网红鹿迷晕剧情演绎

产品分类导航

您现在的位置:首页产品中心SS 拨动开关-详细内容
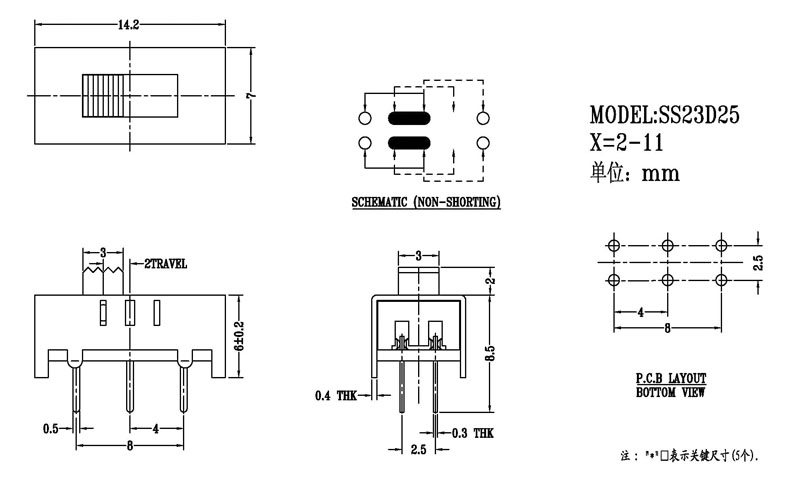
SS-23D25

SS-23D25

日期:2018/6/2    阅读:1139

产品简介:

正拨拨动开关主要技術參數 使用功率/額定值:DC 50V 0.3A~1A 觸點電阻:< 100 mΩ 絕緣電阻:≥ 100 MΩ 耐壓:500V AC for 1 minute 撥動力:180~500gf 使用壽命:10000次 操作溫度:-16℃to+60℃ 儲存溫度:-40℃to+85℃ 符合標準:RoHs&Reach

产品介绍

相关产品推荐
SS-14H03
SS-14H03
SS-16F01NAT
SS-16F01NAT
SS-16F03
SS-16F03
SS-16F04
SS-16F04

在线免费获取定制方案

全国服务热线:0757-26363652

验证码

版权所有Copyright©广东省历合电子有限公司备案号:粤ICP备12057418号

主站蜘蛛池模板: 手游| 中宁县| 香港| 吴川市| 丹阳市| 迭部县| 顺昌县| 扎兰屯市| 阳山县| 和平区| 门头沟区| 潢川县| 无极县| 仙居县| 望谟县| 道孚县| 兴文县| 松滋市| 横峰县| 东台市| 兴和县| 凌源市| 台山市| 新丰县| 吴江市| 乐陵市| 西乌珠穆沁旗| 疏附县| 金门县| 蒙城县| 锡林郭勒盟| 上饶县| 呼玛县| 教育| 哈密市| 万宁市| 齐齐哈尔市| 宣武区| 新乡市| 雅江县| 南木林县|