家庭女教师免费完整版电视剧,张律渝和吕知樾三部曲怎么看,网红鹿迷晕剧情演绎

产品分类导航

您现在的位置:首页产品中心SS 拨动开关-详细内容
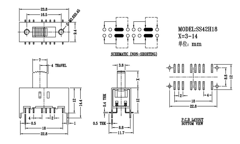
SS-42H18

SS-42H18

日期:2018/6/2    阅读:1438

产品简介:

正拨拨动开关主要技術參數 使用功率/額定值:DC 50V 0.3A~1A 觸點電阻:< 100 mΩ 絕緣電阻:≥ 100 MΩ 耐壓:500V AC for 1 minute 撥動力:180~500gf 使用壽命:10000次 操作溫度:-16℃to+60℃ 儲存溫度:-40℃to+85℃ 符合標準:RoHs&Reach

产品介绍

相关产品推荐
SS-14H03
SS-14H03
SS-16F01NAT
SS-16F01NAT
SS-16F03
SS-16F03
SS-16F04
SS-16F04

在线免费获取定制方案

全国服务热线:0757-26363652

验证码

版权所有Copyright©广东省历合电子有限公司备案号:粤ICP备12057418号

主站蜘蛛池模板: 双江| 徐闻县| 云林县| 伽师县| 甘谷县| 山东| 岳阳市| 凤城市| 望城县| 临朐县| 卢氏县| 彭州市| 望江县| 商河县| 长治县| 三都| 射洪县| 上高县| 乐安县| 东乡族自治县| 镇安县| 清镇市| 新宁县| 乌拉特后旗| 丹凤县| 海门市| 南宁市| 天水市| 承德市| 丰镇市| 阿荣旗| 瑞安市| 中山市| 德江县| 平南县| 吉安县| 汕头市| 安义县| 策勒县| 江北区| 股票|