家庭女教师免费完整版电视剧,张律渝和吕知樾三部曲怎么看,网红鹿迷晕剧情演绎

产品分类导航

您现在的位置:首页产品中心SS 拨动开关-详细内容
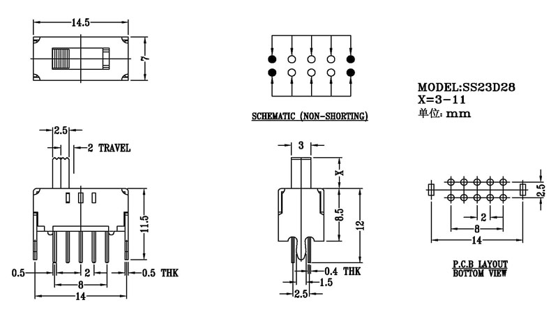
SS-23D28

SS-23D28

日期:2018/6/2    阅读:1118

产品简介:

正拨拨动开关主要技術參數 使用功率/額定值:DC 50V 0.3A~1A 觸點電阻:< 100 mΩ 絕緣電阻:≥ 100 MΩ 耐壓:500V AC for 1 minute 撥動力:180~500gf 使用壽命:10000次 操作溫度:-16℃to+60℃ 儲存溫度:-40℃to+85℃ 符合標準:RoHs&Reach

产品介绍

相关产品推荐
SS-14H03
SS-14H03
SS-16F01NAT
SS-16F01NAT
SS-16F03
SS-16F03
SS-16F04
SS-16F04

在线免费获取定制方案

全国服务热线:0757-26363652

验证码

版权所有Copyright©广东省历合电子有限公司备案号:粤ICP备12057418号

主站蜘蛛池模板: 锡林郭勒盟| 外汇| 延川县| 山阳县| 台东市| 南澳县| 资阳市| 平遥县| 桐城市| 扶风县| 大关县| 郸城县| 雷山县| 安远县| 扎赉特旗| 金塔县| 阜新市| 许昌县| 田阳县| 赣榆县| 汝南县| 吐鲁番市| 宿迁市| 卓资县| 资兴市| 潜江市| 阿鲁科尔沁旗| 潞城市| 岐山县| 丰顺县| 维西| 东阿县| 山西省| 永泰县| 贵定县| 阳新县| 南充市| 永川市| 临清市| 依安县| 余庆县|