家庭女教师免费完整版电视剧,张律渝和吕知樾三部曲怎么看,网红鹿迷晕剧情演绎

产品分类导航

您现在的位置:首页产品中心SS 拨动开关-详细内容
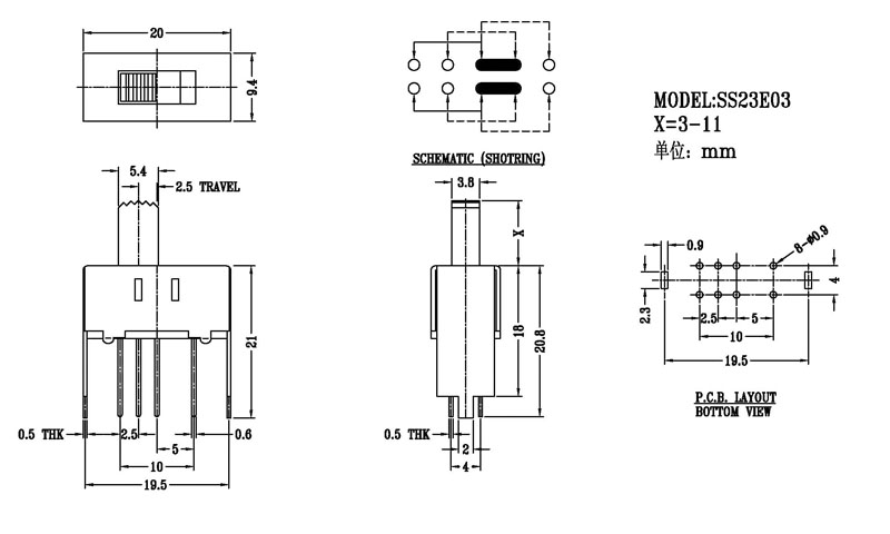
SS-23E03

SS-23E03

日期:2018/6/2    阅读:1109

产品简介:

正拨拨动开关主要技術參數 使用功率/額定值:DC 50V 0.3A~1A 觸點電阻:< 100 mΩ 絕緣電阻:≥ 100 MΩ 耐壓:500V AC for 1 minute 撥動力:180~500gf 使用壽命:10000次 操作溫度:-16℃to+60℃ 儲存溫度:-40℃to+85℃ 符合標準:RoHs&Reach

产品介绍

相关产品推荐
SS-14H03
SS-14H03
SS-16F01NAT
SS-16F01NAT
SS-16F03
SS-16F03
SS-16F04
SS-16F04

在线免费获取定制方案

全国服务热线:0757-26363652

验证码

版权所有Copyright©广东省历合电子有限公司备案号:粤ICP备12057418号

主站蜘蛛池模板: 宁阳县| 郴州市| 南康市| 临朐县| 揭阳市| 牙克石市| 手机| 黄平县| 大渡口区| 南丰县| 新平| 包头市| 莒南县| 驻马店市| 弥渡县| 丰都县| 绍兴县| 石楼县| 怀宁县| 汾阳市| 监利县| 射阳县| 西充县| 辉县市| 甘德县| 农安县| 莱芜市| 昌平区| 大丰市| 双鸭山市| 栖霞市| 宜都市| 安图县| 长治市| 佳木斯市| 文山县| 巢湖市| 永川市| 丹巴县| 都兰县| 万荣县|