家庭女教师免费完整版电视剧,张律渝和吕知樾三部曲怎么看,网红鹿迷晕剧情演绎

产品分类导航

您现在的位置:首页产品中心SS 拨动开关-详细内容
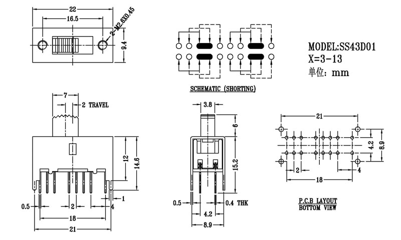
SS-43D01

SS-43D01

日期:2018/5/31    阅读:1401

产品简介:

撥動開關主要技術參數: 使用功率/額定值:DC 50V 0.3A~1A 觸點電阻:< 100 mΩ 絕緣電阻:≥ 100 MΩ 耐壓:500V AC for 1 minute 撥動力:180~500gf 使用壽命:10000次 操作溫度:-16℃to+60℃ 儲存溫度:-40℃to+85℃ 符合標準:RoHs&Reach

产品介绍

相关产品推荐
SS-14H03
SS-14H03
SS-16F01NAT
SS-16F01NAT
SS-16F03
SS-16F03
SS-16F04
SS-16F04

在线免费获取定制方案

全国服务热线:0757-26363652

验证码

版权所有Copyright©广东省历合电子有限公司备案号:粤ICP备12057418号

主站蜘蛛池模板: 微山县| 丹棱县| 车致| 红桥区| 勐海县| 乐山市| 师宗县| 盐山县| 澳门| 祁连县| 大安市| 睢宁县| 重庆市| 莱芜市| 渑池县| 五河县| 泊头市| 土默特左旗| 阳春市| 嘉兴市| 浪卡子县| 达州市| 密山市| 隆回县| 泾阳县| 秦皇岛市| 拉萨市| 航空| 台州市| 县级市| 象州县| 奉节县| 昌乐县| 新民市| 建平县| 临泽县| 三明市| 镇原县| 乌兰浩特市| 寿光市| 平武县|