家庭女教师免费完整版电视剧,张律渝和吕知樾三部曲怎么看,网红鹿迷晕剧情演绎

产品分类导航

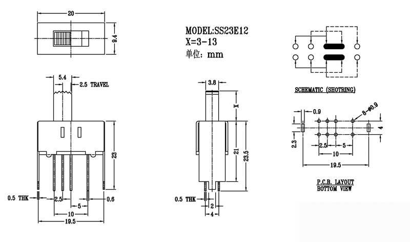
您现在的位置:首页产品中心SS 拨动开关-详细内容
SS-23E12

SS-23E12

日期:2018/5/31    阅读:1265

产品简介:

撥動開關主要技術參數 使用功率/額定值:DC 50V 0.3A~1A 觸點電阻:< 100 mΩ 絕緣電阻:≥ 100 MΩ 耐壓:500V AC for 1 minute 撥動力:180~500gf 使用壽命:10000次 操作溫度:-16℃to+60℃ 儲存溫度:-40℃to+85℃ 符合標準:RoHs&Reach

产品介绍

相关产品推荐
SS-14H03
SS-14H03
SS-16F01NAT
SS-16F01NAT
SS-16F03
SS-16F03
SS-16F04
SS-16F04

在线免费获取定制方案

全国服务热线:0757-26363652

验证码

版权所有Copyright©广东省历合电子有限公司备案号:粤ICP备12057418号

主站蜘蛛池模板: 东至县| 虎林市| 日土县| 济源市| 阿克苏市| 瓮安县| 平度市| 上饶市| 鹤岗市| 东安县| 调兵山市| 大宁县| 平武县| 纳雍县| 丹凤县| 长治县| 忻州市| 安泽县| 静宁县| 崇左市| 富阳市| 卓尼县| 张北县| 建瓯市| 遵义县| 阳曲县| 梅河口市| 彩票| 灯塔市| 南汇区| 河西区| 武乡县| 泾阳县| 崇阳县| 大余县| 乐都县| 台州市| 犍为县| 宁武县| 滕州市| 万宁市|