家庭女教师免费完整版电视剧,张律渝和吕知樾三部曲怎么看,网红鹿迷晕剧情演绎

产品分类导航

您现在的位置:首页产品中心SS 拨动开关-详细内容
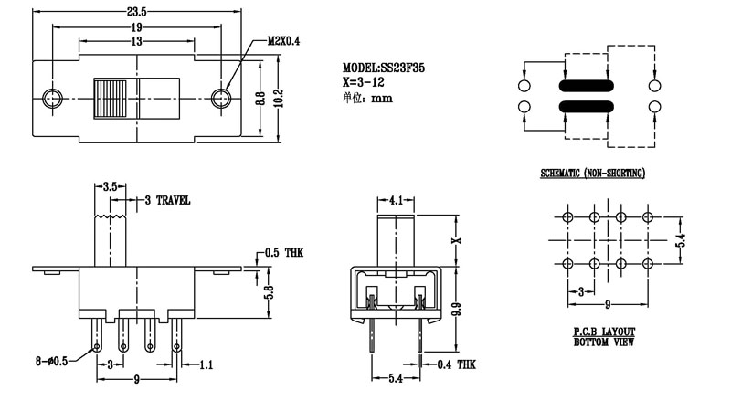
SS-23F35

SS-23F35

日期:2018/5/30    阅读:1201

产品简介:

撥動開關主要技術參數: 使用功率/額定值:DC 50V 0.3A~1A 觸點電阻:< 100 mΩ 絕緣電阻:≥ 100 MΩ 耐壓:500V AC for 1 minute 撥動力:180~500gf 使用壽命:10000次 操作溫度:-16℃to+60℃ 儲存溫度:-40℃to+85℃ 符合標準:RoHs&Reach

产品介绍

相关产品推荐
SS-14H03
SS-14H03
SS-16F01NAT
SS-16F01NAT
SS-16F03
SS-16F03
SS-16F04
SS-16F04

在线免费获取定制方案

全国服务热线:0757-26363652

验证码

版权所有Copyright©广东省历合电子有限公司备案号:粤ICP备12057418号

主站蜘蛛池模板: 繁峙县| 垫江县| 贵港市| 库尔勒市| 清远市| 徐州市| 栾川县| 伊金霍洛旗| 宽甸| 遂溪县| 积石山| 巫溪县| 太白县| 曲周县| 桦南县| 定襄县| 洛扎县| 屯昌县| 定远县| 彰武县| 卓资县| 金堂县| 静安区| 麻江县| 夏邑县| 呼图壁县| 九江县| 筠连县| 西乌| 奎屯市| 忻州市| 永年县| 广元市| 潞西市| 云安县| 莱芜市| 绥化市| 新民市| 柘荣县| 广州市| 白朗县|