家庭女教师免费完整版电视剧,张律渝和吕知樾三部曲怎么看,网红鹿迷晕剧情演绎

产品分类导航

您现在的位置:首页产品中心SS 拨动开关-详细内容
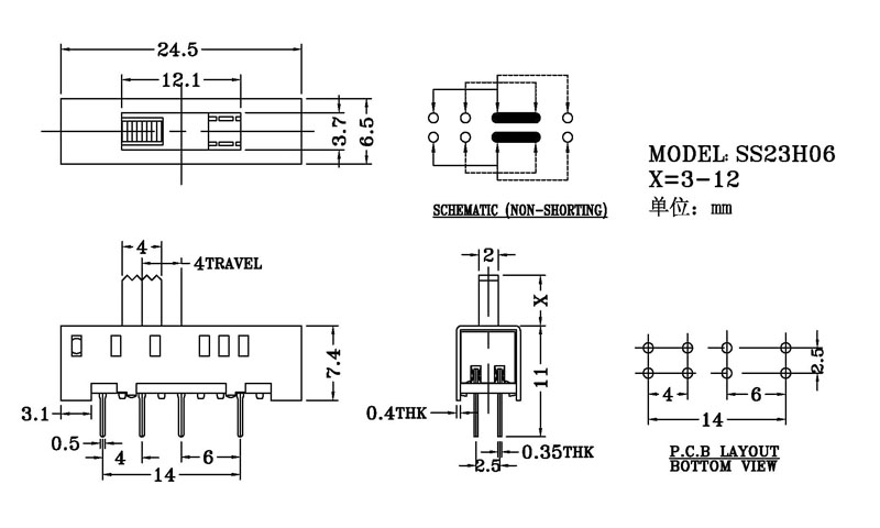
SS-23H06

SS-23H06

日期:2018/5/30    阅读:1274

产品简介:

撥動開關主要技術參數: 使用功率/額定值:DC 50V 0.3A~1A 觸點電阻:< 100 mΩ 絕緣電阻:≥ 100 MΩ 耐壓:500V AC for 1 minute 撥動力:180~500gf 使用壽命:10000次 操作溫度:-16℃to+60℃ 儲存溫度:-40℃to+85℃ 符合標準:RoHs&Reach

产品介绍

相关产品推荐
SS-14H03
SS-14H03
SS-16F01NAT
SS-16F01NAT
SS-16F03
SS-16F03
SS-16F04
SS-16F04

在线免费获取定制方案

全国服务热线:0757-26363652

验证码

版权所有Copyright©广东省历合电子有限公司备案号:粤ICP备12057418号

主站蜘蛛池模板: 鄂托克前旗| 浦县| 昌图县| 洪洞县| 夏邑县| 青川县| 宜章县| 唐河县| 巴彦淖尔市| 孟州市| 阳朔县| 大安市| 民县| 申扎县| 遵化市| 无极县| 海晏县| 牡丹江市| 禹州市| 光山县| 泸溪县| 吉安市| 泉州市| 兴化市| 景洪市| 肃南| 肇东市| 儋州市| 余庆县| 嘉义市| 宁德市| 醴陵市| 吉安县| 丽水市| 乐都县| 柳州市| 清徐县| 汉源县| 灵石县| 连江县| 大埔区|