家庭女教师免费完整版电视剧,张律渝和吕知樾三部曲怎么看,网红鹿迷晕剧情演绎

产品分类导航

您现在的位置:首页产品中心SS 拨动开关-详细内容
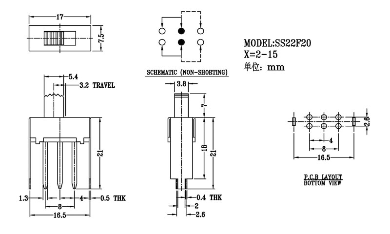
SS-22F20

SS-22F20

日期:2018/5/30    阅读:1147

产品简介:

撥動開關主要技術參數: 使用功率/額定值:DC 50V 0.3A~1A 觸點電阻:< 100 mΩ 絕緣電阻:≥ 100 MΩ 耐壓:500V AC for 1 minute 撥動力:180~500gf 使用壽命:10000次 操作溫度:-16℃to+60℃ 儲存溫度:-40℃to+85℃ 符合標準:RoHs&Reach

产品介绍

相关产品推荐
SS-14H03
SS-14H03
SS-16F01NAT
SS-16F01NAT
SS-16F03
SS-16F03
SS-16F04
SS-16F04

在线免费获取定制方案

全国服务热线:0757-26363652

验证码

版权所有Copyright©广东省历合电子有限公司备案号:粤ICP备12057418号

主站蜘蛛池模板: 行唐县| 扎鲁特旗| 岳普湖县| 天气| 九龙县| 滕州市| 武宁县| 察哈| 仁布县| 盐津县| 海晏县| 高雄县| 米脂县| 阜南县| 丹棱县| 浮山县| 万源市| 潍坊市| 鄂伦春自治旗| 漾濞| 石棉县| 阿拉尔市| 广灵县| 双流县| 中江县| 琼结县| 治县。| 都昌县| 获嘉县| 韶山市| 鄂温| 炉霍县| 厦门市| 桃园市| 中山市| 洪泽县| 乐业县| 开阳县| 紫金县| 林周县| 马关县|