家庭女教师免费完整版电视剧,张律渝和吕知樾三部曲怎么看,网红鹿迷晕剧情演绎

产品分类导航

您现在的位置:首页产品中心SK 拨动开关-详细内容
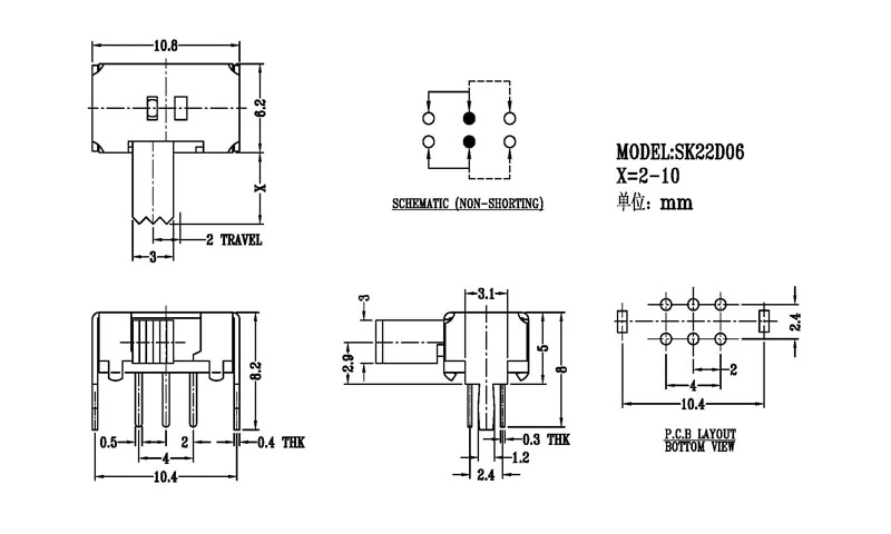
SK-22D06

SK-22D06

日期:2018/5/30    阅读:1663

产品简介:

撥動開關主要技術參數: 使用功率/額定值:DC 50V 0.3A~1A 觸點電阻:< 100 mΩ 絕緣電阻:≥ 100 MΩ 耐壓:500V AC for 1 minute 撥動力:180~500gf 使用壽命:10000次 操作溫度:-16℃to+60℃ 儲存溫度:-40℃to+85℃ 符合標準:RoHs&Reach

产品介绍

相关产品推荐
SK-12D01
SK-12D01
SK-12D02
SK-12D02
SK-12D07
SK-12D07
SK-12D09
SK-12D09

在线免费获取定制方案

全国服务热线:0757-26363652

验证码

版权所有Copyright©广东省历合电子有限公司备案号:粤ICP备12057418号

主站蜘蛛池模板: 库尔勒市| 沅江市| 巴楚县| 民权县| 白银市| 泗水县| 济阳县| 克拉玛依市| 如皋市| 禄丰县| 岚皋县| 安吉县| 新源县| 思南县| 信阳市| 辽源市| 呈贡县| 内乡县| 沙坪坝区| 咸阳市| 从江县| 宝鸡市| 泸水县| 盈江县| 正宁县| 封开县| 专栏| 南和县| 盐池县| 余姚市| 龙门县| 巴彦淖尔市| 开远市| 盐边县| 武宁县| 盐亭县| 张家界市| 子长县| 射洪县| 湖口县| 高安市|