家庭女教师免费完整版电视剧,张律渝和吕知樾三部曲怎么看,网红鹿迷晕剧情演绎

产品分类导航

您现在的位置:首页产品中心3X6系列-详细内容
TSTP36H-带定位

TSTP36H-带定位

日期:2012/8/13    阅读:5363

产品简介:

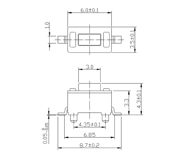
尺寸: 6.0X3.5mm 产品分类: 轻触开关 - B系列 / 3x6一型二型 应用 ※ 用于各种电子设备操作 ※ 音频设备,办公设备,通讯设备 ※ 测量仪器,电视机,电视录像机等 特点 ※ 回流可焊 ※ 良好的点击触感

产品介绍


相关产品推荐
TST3650
TST3650
TSTP6236-2.8
TSTP6236-2.8
TST3625
TST3625
TST3625U
TST3625U

在线免费获取定制方案

全国服务热线:0757-26363652

验证码

版权所有Copyright©广东省历合电子有限公司备案号:粤ICP备12057418号

主站蜘蛛池模板: 丹东市| 从江县| 巴塘县| 临夏市| 沐川县| 呼和浩特市| 克山县| 林西县| 凤冈县| 建平县| 利川市| 滦南县| 宝丰县| 大关县| 剑阁县| 资兴市| 滨州市| 黑龙江省| 武清区| 平南县| 信宜市| 大同市| 利川市| 丹巴县| 高尔夫| 铅山县| 铜梁县| 龙州县| 呼和浩特市| 平湖市| 广平县| 宣汉县| 西贡区| 广西| 大城县| 扎赉特旗| 进贤县| 东明县| 东莞市| 错那县| 阳曲县|